歡迎來到安平縣秉德絲網制品有限公司網站!

山東省濰坊市水利灌溉框架防護網生產廠家
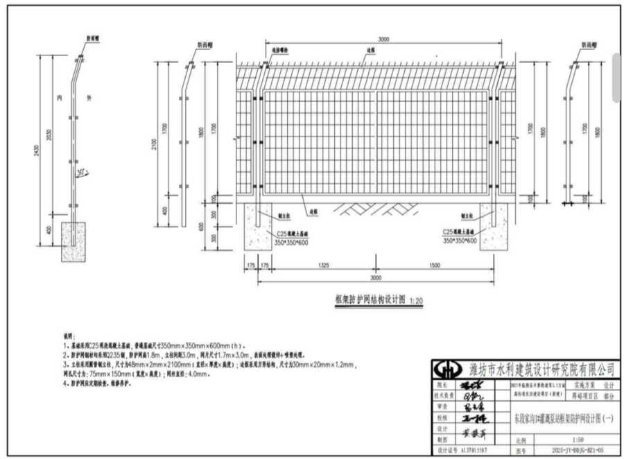
1、基礎采用C25現澆混凝土基礎,普通基礎尺寸350mmx350mmx600mm。
2、防護網鋼材均采用Q235鋼,防護網高1.8m,立柱間距3.0m,網片尺寸1.7mx3.0m,表面處理鍍鋅+噴塑處理。
3、立柱采用圓管鋼立柱,尺寸為48mmx2mmx2100mm(直徑x厚度x高度):邊框采用方形結構,尺寸為30mmx20mmx1.2mm,網孔尺寸為:75mmx150mm(寬度x高度):網絲直徑:4.0mm。
4、防護網應定期檢查、維修養(yǎng)護。